(586) 268-3650info@ccmfg.netM-F 8:00 AM – 5:00 PM
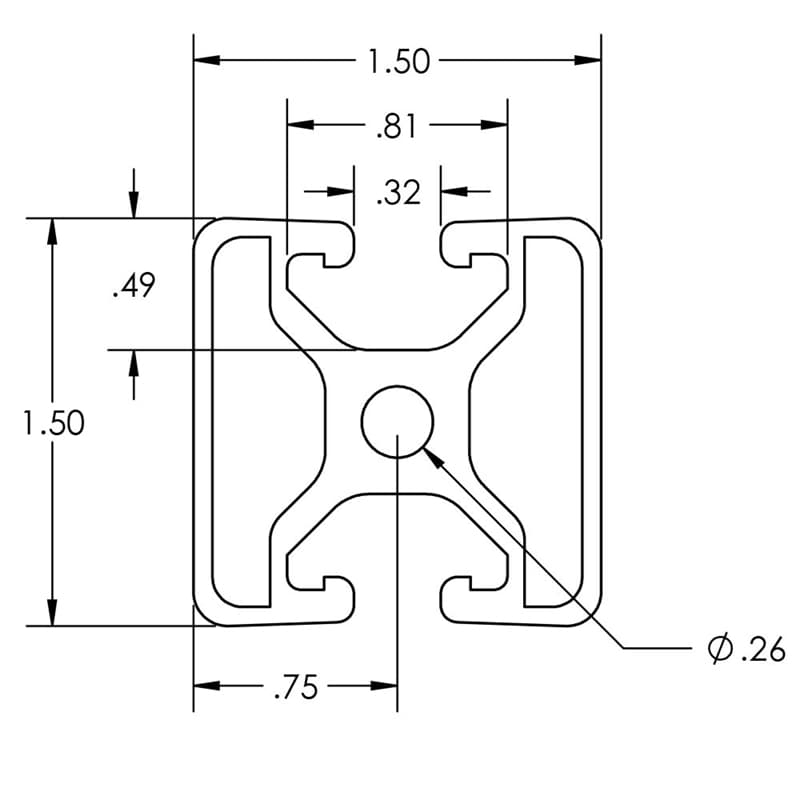
1-1/2 Bi-Slot, 180 Deg.
$0.00
Enter a size up to 84"
1-1/2 Series
Anodized
Aluminum
SPECIAL
FT
15
1 x 2 Extrusion
1-1/2 x 1-1/2 Extrusion
45mm Extrusion
1x1, 2 Slot , Adjacent.