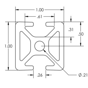
EX-45

45mm Extrusion

$0.00

  • Enter a size up to 84"

    • 0.7241 $
    • $
    • Surcharge per cut

      $2.80
SKU: EX-45 Categories: ,

Additional information

Sub Category

Finish

Material

Weight

U/M

Series