(586) 268-3650info@ccmfg.netM-F 8:00 AM – 5:00 PM
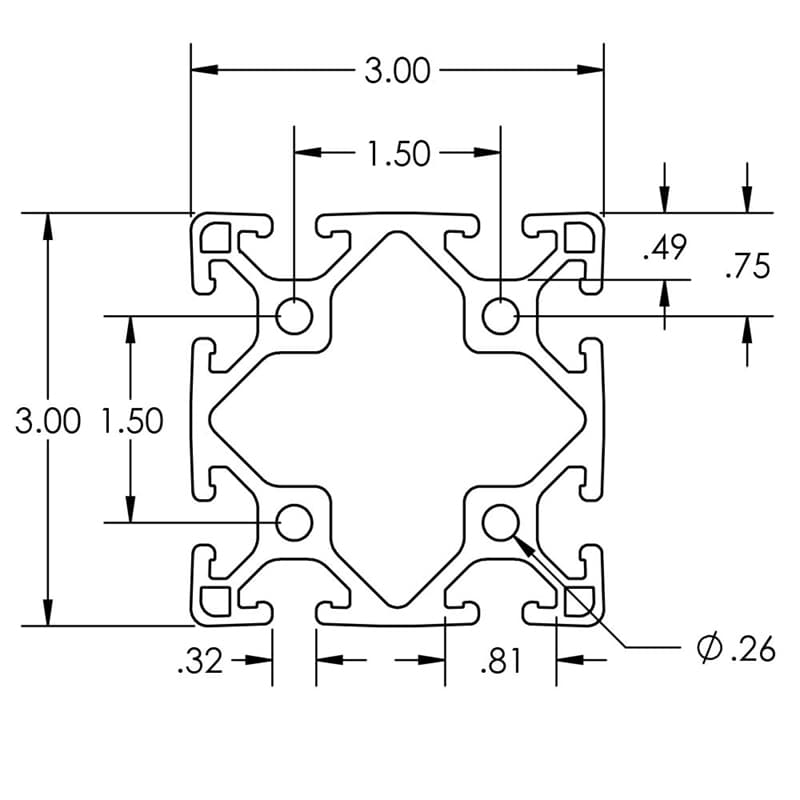
3 x 3 Extrusion
$0.00
Out of stock
1-1/2 Series
Anodized
Aluminum
SPECIAL
FT
15
1-1/2 Bi-Slot, 180 Deg.
1 x 2 Extrusion
80 x 80, Light Extrusion, Metric
1-1/2 x 3, Quad-Slot