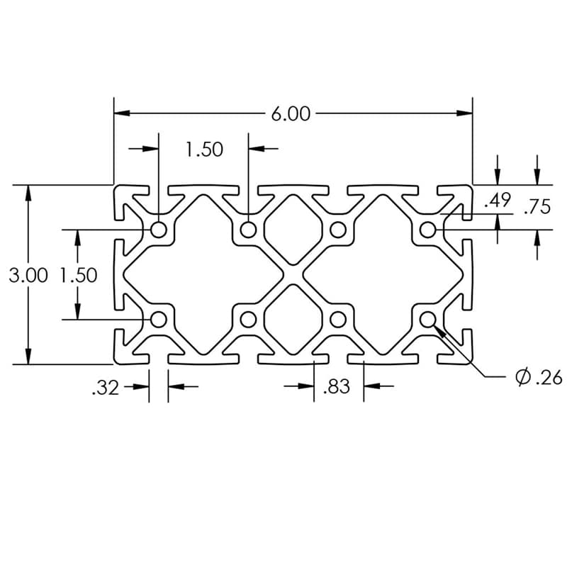
TS30-60

3 x 6 Heavy Extrusion

$0.00

  • Enter a size up to 84"

    • 3.9991 $
    • $
    • Surcharge per cut

      $2.80
SKU: TS30-60 Categories: ,

Additional information

Sub Category

Finish

Material

Weight

U/M

Series